Simulasi Soal Teori Kejuruan (Stk) Teknik Sepeda Motor (Tsm) Smk Mak Tahun 2018/2019

Reviewed by Editorial Team
The ProProfs editorial team is comprised of experienced subject matter experts. They've collectively created over 10,000 quizzes and lessons, serving over 100 million users. Our team includes in-house content moderators and subject matter experts, as well as a global network of rigorously trained contributors. All adhere to our comprehensive editorial guidelines, ensuring the delivery of high-quality content.
Learn about Our Editorial Process
| By NurasiahZamil
N
NurasiahZamil
Community Contributor
Quizzes Created: 11 | Total Attempts: 21,220
| Attempts: 1,851 | Pertanyaan: 40 | Updated: Mar 21, 2023
Please wait...

Question 1 / 41
🏆 Rank #--
Score 0/100

1. Kegiatan berturut-turut berikut ini: pelepasan busi, pemasangan pressure gauge pada lubang busi, pembukaan throttle valve secara penuh dan menginjak pedal starter berkali-kali adalah tindakan….   

Explanation

The given activities of removing the spark plug, installing a pressure gauge on the spark plug hole, opening the throttle valve fully, and repeatedly pressing the starter pedal are all steps involved in measuring the compression pressure of the cylinder. These actions help to assess the health and efficiency of the engine's combustion process by measuring the pressure generated during compression.

Submit
Please wait...
About This Quiz
Simulasi Soal Teori Kejuruan (Stk) Teknik Sepeda Motor (Tsm) Smk Mak Tahun 2018/2019 - Quiz

2.

What first name or nickname would you like us to use?

You may optionally provide this to label your report, leaderboard, or certificate.

2. Sistem hidrolik pada suspensi perlu dilakukan pemeriksaan komponen seperti terlihat pada gambar. Pengukuran apakah yang dimaksud….   

Explanation

The correct answer is "Keolengan fork pipe". This means that the measurement being referred to in the question is the alignment or straightness of the fork pipe. The suspension system in a vehicle relies on the proper alignment of its components, including the fork pipe. Any deviation or misalignment in the fork pipe can affect the overall performance and stability of the suspension system. Therefore, it is necessary to check for any inclination or misalignment in the fork pipe to ensure the proper functioning of the hydraulic system.

Submit

3. Penanganan minyak rem harus memperhatikan dampak kontaminasi yang dapat ditimbulkan yaitu….

Explanation

The correct answer is "Kerusakan cat". When handling brake oil, it is important to consider the potential contamination that can cause damage to the paintwork of a vehicle. Brake oil can be corrosive to the paint, leading to discoloration, peeling, or other forms of damage. Therefore, it is crucial to take precautions and avoid any spillage or contact with the vehicle's surface to prevent such issues.

Submit

4. Perhatikan gambar berikut adalah langkah kerja mesin 4 langkah, dengan melihat posisi katup dan piston, tentukan langkah apa yang terjadi….  

Explanation

The correct answer is "Langkah usaha". This is the step where the fuel-air mixture is ignited by the spark plug, causing the piston to be forced downwards. This downward motion of the piston creates the power that drives the engine.

Submit

5. Seorang teknisi melakukan pemeriksaan diameter dalam garpu pemindah, didapatkan hasil pengukuran seperti pada gambar di bawah ini sebesar 35,10 mm, sedangkan batas servis adalah 31,15 mm. Tindakan yang sebaiknya dilakukan oleh teknisi tersebut adalah....  

Explanation

Based on the given information, the technician measured the diameter of the shift fork and found it to be 35.10 mm, while the service limit is 31.15 mm. This means that the diameter of the shift fork exceeds the maximum allowable limit. Therefore, the best course of action for the technician is to replace the shift fork.

Submit

6. Berikut ini merupakan potongan gambar simbol komponen elektronika pada sepeda motor yang berfungsi….  

Explanation

The correct answer is "Menghambat dan mengatur arus listrik" because it is the only option that accurately describes the function of the electronic component in the context of a motorcycle. The other options either describe different functions or are not relevant to the given context.

Submit

7. Penyetelen celah kelonggaran katup yang dilakukan oleh teknisi, selain mesin dalam kondisi dingin, posisi piston harus pada saat….

Explanation

The correct answer is "TMA akhir langkah kompresi" because when technicians perform valve clearance adjustment, the piston should be in the final step of compression. This is because during the compression stroke, the valves are closed and the piston is at the top of its stroke, allowing for easier access to the valves for adjustment. Adjusting the valve clearance at this point ensures that the valves are properly timed and allows for optimal engine performance.

Submit

8. Pengukuran keausan dinding silinder pada area seperti gambar di bawah perlu dilakukan untuk menentukan tingkat oversize silinder. Alat ukur mekanik yang tepat digunakan untuk tujuan tersebut adalah….   

Explanation

A dial bore gauge is the appropriate mechanical measuring tool to use in order to determine the level of oversize in the cylinder walls. The other options listed, such as a steel ruler, micrometer, dial indicator, and vernier caliper, are not specifically designed for measuring the inner diameter of a cylinder. A dial bore gauge is specifically designed for this purpose, allowing for accurate and precise measurements of the cylinder's inner diameter.

Submit

9. Mesin sepeda motor tidak mau hidup, setelah diperiksa ternyata busi tidak memercikkan bunga api. Tindakan yang paling tepat untuk dilakukan jika terjadi hal seperti itu adalah ....

Explanation

The most appropriate action to take if the motorcycle engine does not start and the spark plug does not produce a spark is to replace the spark plug if the ignition has reached the spark plug cable. This is because the spark plug is responsible for igniting the fuel-air mixture in the combustion chamber. If the spark plug is faulty or not functioning properly, it will prevent the engine from starting. Therefore, replacing the spark plug is the best course of action in this situation.

Submit

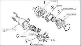
10. Komponen yang ditunjukkan dengan nomor 6 pada gambar di bawah ini berfungsi untuk….  

Explanation

Komponen yang ditunjukkan dengan nomor 6 berfungsi untuk mengubah energi listrik menjadi energi mekanik dalam bentuk putaran.

Submit

11. Ukuran kertas gambar sudah ditentukan berdasarkan standar gambar internasional, pilihlah jawaban berikut yang merupakan ukuran kertas gambar A3 adalah ....

Explanation

The correct answer is 420 X 297 mm because A3 paper size is standardized as 420 X 297 mm according to international drawing standards.

Submit

12. Pengukuran komponen/bagian sistem rem sepeda motor yang ditunjukkan seperti pada gambar di bawah adalah….  

Explanation

The given correct answer is "Pengukuran diameter luar piston caliper." This is because the image shows a caliper measuring the outer diameter of the piston. The other options mentioned, such as measuring the thickness of the disc brake or brake pad, or measuring the run-out of the disc brake, are not applicable based on the given information.

Submit

13. Kondisi yang menyebabkan handle kopling terasa berat adalah….

Explanation

The correct answer is "Pegas kopling keras" (stiff clutch spring). A stiff clutch spring can cause the clutch handle to feel heavy or difficult to operate. When the clutch spring is stiff, it requires more force to disengage the clutch, resulting in a heavier clutch pedal or handle. This can make shifting gears more challenging and uncomfortable for the driver.

Submit

14. Rendahnya tekanan kompresi dapat disebabkan bocornya campuran udara dan bahan bakar karena kerusakan baut kepala silinder. Tindakan pemesinan untuk perbaikannya adalah….

Explanation

The correct answer is "Ditap". In this context, "Ditap" refers to tapping or tightening the cylinder head bolts. The low compression pressure can be caused by a leakage of air and fuel mixture due to the damaged cylinder head bolts. Therefore, tapping or tightening the bolts is the machining action required to fix the issue.

Submit

15. Sebuah sepeda motor memiliki perkaitan gigi transmisi : jumlah gigi penggerak (A) 31 dan jumlah gigi yang digerakkan (B) 18. Jika momen input 20 Nm, maka momen outputnya adalah….

Explanation

The torque ratio in a transmission system is given by the formula T2/T1 = N2/N1, where T2 is the output torque, T1 is the input torque, N2 is the number of teeth on the driven gear, and N1 is the number of teeth on the driving gear. In this case, T1 = 20 Nm, N1 = 31, and N2 = 18. Plugging these values into the formula, we get T2 = (20 * 18) / 31 = 11.61 Nm. Therefore, the correct answer is 11.61 Nm.

Submit

16. Permasalahan suara bising atau tidak normal pada knalpot dapat diatasi dengan cara….

Explanation

When there is a problem with loud or abnormal noise coming from the exhaust pipe, it can be resolved by repairing or patching the exhaust muffler that is leaking. This is because a leaking muffler can cause the noise to be louder or abnormal. Adding a filter to the exhaust pipe, cleaning rust on the outside of the exhaust pipe, removing the exhaust gasket, or cleaning carbon at the base of the exhaust pipe will not directly address the issue of loud or abnormal noise from the exhaust pipe.

Submit

17. Kinerja kompresor udara dapat diketahui berdasarkan hasil pengujian pada komponen-komponennya. Pengujian yang dilakukan pada komponen yang diberi tanda panah pada gambar berikut adalah….  

Explanation

The correct answer is "Pengujian motor penggerak". The reason for this is that the question asks for the testing that is done on the components marked with an arrow in the image. The other options mentioned are related to testing the physical condition of the belt, testing the dimensions of the drive belt, testing the vibration of the compressor, and testing the rotation of the air compressor. Only the testing of the drive motor is directly related to the components marked with an arrow in the image.

Submit

18. Komponen alternator yang berfungsi menghasilkan GGL….  

Explanation

The stator is the component of the alternator that is responsible for generating the electromotive force (EMF) or voltage. It consists of a stationary set of coils that surround the rotor. When the rotor spins, it induces a magnetic field in the stator coils, which in turn generates the voltage. Therefore, the stator is the component that produces the GGL (Gaya Gerak Listrik) or electromotive force in an alternator.

Submit

19. Sebuah sepeda motor matic 110 cc menggunakan motor starter dengan spesifikasi 72W/12V. Berapa ampere besar arus yang mengalir ke motor starter tersebut?

Explanation

The motor starter of the 110 cc automatic motorcycle has a power specification of 72W/12V. To calculate the current flowing through the motor starter, we can use the formula P = IV, where P is power, I is current, and V is voltage. Rearranging the formula to solve for current, we get I = P/V. Plugging in the given values, we have I = 72W/12V = 6A. Therefore, the correct answer is DC 6 ampere.

Submit

20. Yang bukan termasuk actuator dalam sistem injeksi bahan bakar adalah….

Explanation

The bank angle is not considered an actuator in a fuel injection system. Actuators are components that are responsible for controlling or manipulating the system. In this case, the pump, injector, ignition, and indicator lamp are all actuators as they play a role in the fuel injection process. However, the bank angle is not directly involved in controlling or manipulating the fuel injection system, making it the correct answer.

Submit

21. Fungsi rectifier adalah….

Explanation

The correct answer is "Membatasi tegangan dan menyearahkan arus listrik". Rectifier functions to limit the voltage and direct the flow of electric current.

Submit

22. Pegas kopling merupakan komponen yang penting dalam sistem kopling, jika pegas kopling lemah atau tidak sesuai dengan batas servis maka…  

Explanation

If the clutch spring is weak or not suitable for the service limit, it will cause the clutch lining to wear out quickly.

Submit

23. Diketahui baterai sepeda motor dengan kapasitas 12 V 4,5 Ah. Arus pengisian normal untuk baterai tersebut adalah….

Explanation

The correct answer is 0.45 ampere because the battery has a capacity of 4.5 Ah (ampere-hour) and a voltage of 12 V. To calculate the charging current, we divide the capacity by the time taken to charge the battery. Since the time is not given, we assume it to be 10 hours (a common charging time). Therefore, 4.5 Ah divided by 10 hours equals 0.45 ampere. This is the normal charging current for the given battery.

Submit

24. Sering terjadi ledakan pada knalpot saat gas tangan dilepaskan disebabkan oleh….

Explanation

When the throttle is released, the engine goes into an idle state. If the idle mixture is set too rich (too much fuel), it can cause unburned fuel to accumulate in the exhaust system. When the hot exhaust gases ignite this excess fuel, it can result in a backfire or explosion in the exhaust, causing the popping sound. Therefore, the correct answer is "Penyetelan campuran idle yang terlalu kaya" which means "Idle mixture adjustment that is too rich."

Submit

25. Seorang teknisi telah melakukan pengukuran kerataan kepala silinder. Pengukuran memberikan hasil 0,02 mm. Jika spesifikasi servis adalah 0,05 mm, apakah analisa hasil pengukuran tersebut….

Explanation

The measurement result of 0.02 mm is less than the service specification of 0.05 mm, indicating that the cylinder head is within the acceptable tolerance range. Therefore, the analysis of the measurement result suggests that the cylinder head is in good condition.

Submit

26. Berapakah arus yang mengalir pada lampu belakang sepeda motor dengan spesifikasi 12V 21/5W ketika saklar lampu utama dinyalakan….

Explanation

The current flowing through the motorcycle's rear light can be calculated using Ohm's Law, which states that current (I) is equal to voltage (V) divided by resistance (R). The resistance of the light bulb can be calculated by dividing the power (P) by the voltage (V), using the formula R = V^2 / P. In this case, the voltage is 12V and the power is 21/5W. Plugging these values into the formula, we can calculate the resistance. Once we have the resistance, we can use Ohm's Law to calculate the current. The correct answer of 0.42 ampere is obtained by dividing the voltage (12V) by the resistance.

Submit

27. Seorang teknisi melakukan pemeriksaan seperti pada gambar berikut. Diperoleh hasil 0,3 mA sedangkan standarnya adalah 0,1 mA. Hal ini menandakan….  

Explanation

The technician obtained a reading of 0.3 mA, which is higher than the standard of 0.1 mA. This indicates that there is an input current flowing into the battery.

Submit

28. Untuk memaksimalkan umur dan fungsi kerja komponen/part agar tidak berubah bentuk/patah, atau rusak pola ulir, maka yang perlu dilakukan adalah….  

Explanation

To maximize the lifespan and functionality of components/parts and prevent them from changing shape, breaking, or damaging the thread pattern, it is necessary to tighten the components/bolts below the specified torque.

Submit

29. Seorang teknisi melakukan pengukuran pada komponen piston sesuai gambar di bawah ini.  Apakah yang ingin diketahui oleh teknisi dari tahapan pengukuran tersebut ?

Explanation

The technician wants to know the gap distance between the piston pin and the piston.

Submit

30. Seorang pemilik sepeda motor mengeluhkan bahwa kemudi sepeda motornya terasa berat, setelah dilakukan pemeriksaan ternyata ditemukan beberapa penyebab, salah satunya adalah….

Explanation

The correct answer is "Poros depan bengkok" (bent front axle). This could be a possible cause for the owner's complaint about the heavy steering of the motorcycle. A bent front axle can affect the alignment and balance of the motorcycle, making it difficult to steer and causing the steering to feel heavy.

Submit

31. Perhatikan gambar pemeriksaan sistem pengisian di bawah ini, apabila hasil pengukuran seperti pada gambar menunjukkan nilai sebesar 0,5 mA, maka kesimpulan dari pemeriksaan tersebut adalah….  

Explanation

The correct answer is "Terjadi kebocoran arus sebesar 0,5 mA". This conclusion can be drawn from the measurement result of 0,5 mA, which indicates that there is a leakage of current in the system.

Submit

32. Thermostat pada sistem pendinginan air mulai membuka pada suhu….  

Explanation

The correct answer is 70-75oC. This suggests that the thermostat in the water cooling system starts to open when the temperature reaches this range.

Submit

33. Apakah penyebab banjir bahan bakar pada karburator….

Explanation

The choke not being able to close can cause fuel flooding in the carburetor, leading to fuel overflow and potentially causing a fuel leak or flood. The choke is responsible for regulating the air-fuel mixture during cold starts, and if it fails to close properly, it can result in an overly rich fuel mixture. This can cause an excessive amount of fuel to enter the carburetor, leading to flooding and potentially causing a fuel leak or flood.

Submit

34. Perhatikan gambar pengukuran komponen suspensi roda depan sepeda motor menggunakan indicator di bawah ini, hasil pengukuran menunjukkan pembacaan total indicator sebesar 0,1 mm. bagaimana analisa anda terhadap hasil pengukuran ini ?  

Explanation

The correct answer suggests that the fork pipe is still within the tolerance range for deflection. This means that the measured deflection of 0.1 mm is considered acceptable and does not indicate any significant issues with the front wheel suspension component.

Submit

35. Cara mengukur celah ring torak yang benar adalah….

Explanation

The correct answer is to insert the piston ring into the cylinder and then measure the piston ring gap. This method ensures that the measurement is taken in the correct position, as the ring will be in its intended place when the engine is running. Measuring the ring gap while it is detached from the piston may not provide an accurate measurement, as the ring may not be in its proper position. Additionally, subtracting the piston ring groove diameter from the inner diameter of the piston ring is not a valid method for measuring the ring gap.

Submit

36. Apabila terjadi mudah kendornya baut pengikat poros engkol pada komponen CVT sepeda motor matic, pemeriksaan yang harus dilakukan teknisi pada komponen transmisi CVT adalah….

Explanation

The correct answer is "Conical spring washer pada crankshaft". When the fastening bolt of the crankshaft flange becomes loose, it can cause the crankshaft to move and result in the loosening of the CVT component. Therefore, the technician should check the conical spring washer on the crankshaft to ensure it is properly tightened and secure.

Submit

37. Perhatikan gambar pengukuran komponen kelistrikan sepeda motor berikut. Pengukuran apakah yang dilakukan pada gambar di bawah ini….  

Explanation

The correct answer is "Pengukuran voltase dengan regulator/rectifier connecter tersambung". This is because the image shows a measurement being taken on a component called the regulator/rectifier connector, which is responsible for regulating and rectifying the voltage in the electrical system of a motorcycle. Therefore, the measurement being taken in the image is specifically related to the voltage in this component.

Submit

38. Di bawah ini merupakan jenis-jenis rangkaian kelistrikan sepeda motor, yang termasuk dalam klasifikasi rangkaian sistem penerangan yang berfungsi sebagai signaling/warning adalah….

Explanation

The taillight is classified as a signaling/warning system in the electrical circuit of a motorcycle. It serves as a warning signal to other road users by illuminating when the motorcycle is braking or indicating a turn. Unlike instrument lights, headlight, alternator, and neutral light, the taillight specifically functions as a signaling device rather than providing illumination for the rider or generating electrical power.

Submit

39. Standar tahanan sensor engine coolant temperature saat suhu temperature mencapai 100oC adalah….  

Explanation

not-available-via-ai

Submit

40. Pemeriksaan komponen sistem pengapian sepeda motor seperti pada gambar di bawah ini dilakukan dengan posisi kunci kontak ON dan mesin sepeda motor diputar oleh electric starter. Pemeriksaan apakah yang dilakukan pada gambar tersebut?  

Explanation

The correct answer is "Pemeriksaan tegangan puncak kumparan pembangkit." This is because the question states that the inspection is done with the ignition key ON and the motorcycle engine is rotated by the electric starter. The term "kumparan pembangkit" refers to the generator coil, which generates the electrical power for the motorcycle. Therefore, the inspection being done in the picture is checking the peak voltage of the generator coil.

Submit
×
Saved
Thank you for your feedback!
View My Results
Cancel
  • All
    All (40)
  • Unanswered
    Unanswered ()
  • Answered
    Answered ()
Kegiatan berturut-turut berikut ini: pelepasan busi, pemasangan...
Sistem hidrolik pada suspensi perlu dilakukan pemeriksaan komponen...
Penanganan minyak rem harus memperhatikan dampak kontaminasi yang...
Perhatikan gambar berikut adalah langkah kerja mesin 4 langkah, dengan...
Seorang teknisi melakukan pemeriksaan diameter dalam garpu pemindah,...
Berikut ini merupakan potongan gambar simbol komponen elektronika pada...
Penyetelen celah kelonggaran katup yang dilakukan oleh teknisi, selain...
Pengukuran keausan dinding silinder pada area seperti gambar di bawah...
Mesin sepeda motor tidak mau hidup, setelah diperiksa ternyata busi...
Komponen yang ditunjukkan dengan nomor 6 pada gambar di bawah ini...
Ukuran kertas gambar sudah ditentukan berdasarkan standar gambar...
Pengukuran komponen/bagian sistem rem sepeda motor yang ditunjukkan...
Kondisi yang menyebabkan handle kopling terasa berat adalah….
Rendahnya tekanan kompresi dapat disebabkan bocornya campuran udara...
Sebuah sepeda motor memiliki perkaitan gigi transmisi : jumlah gigi...
Permasalahan suara bising atau tidak normal pada knalpot dapat diatasi...
Kinerja kompresor udara dapat diketahui berdasarkan hasil pengujian...
Komponen alternator yang berfungsi menghasilkan GGL….  
Sebuah sepeda motor matic 110 cc menggunakan motor starter dengan...
Yang bukan termasuk actuator dalam sistem injeksi bahan bakar...
Fungsi rectifier adalah….
Pegas kopling merupakan komponen yang penting dalam sistem kopling,...
Diketahui baterai sepeda motor dengan kapasitas 12 V 4,5 Ah. Arus...
Sering terjadi ledakan pada knalpot saat gas tangan dilepaskan...
Seorang teknisi telah melakukan pengukuran kerataan kepala silinder....
Berapakah arus yang mengalir pada lampu belakang sepeda motor dengan...
Seorang teknisi melakukan pemeriksaan seperti pada gambar berikut....
Untuk memaksimalkan umur dan fungsi kerja komponen/part agar tidak...
Seorang teknisi melakukan pengukuran pada komponen piston sesuai...
Seorang pemilik sepeda motor mengeluhkan bahwa kemudi sepeda motornya...
Perhatikan gambar pemeriksaan sistem pengisian di bawah ini, apabila...
Thermostat pada sistem pendinginan air mulai membuka pada...
Apakah penyebab banjir bahan bakar pada karburator….
Perhatikan gambar pengukuran komponen suspensi roda depan sepeda motor...
Cara mengukur celah ring torak yang benar adalah….
Apabila terjadi mudah kendornya baut pengikat poros engkol pada...
Perhatikan gambar pengukuran komponen kelistrikan sepeda motor...
Di bawah ini merupakan jenis-jenis rangkaian kelistrikan sepeda motor,...
Standar tahanan sensor engine coolant temperature saat suhu...
Pemeriksaan komponen sistem pengapian sepeda motor seperti pada gambar...
play-Mute sad happy unanswered_answer up-hover down-hover success oval cancel Check box square blue
Alert!